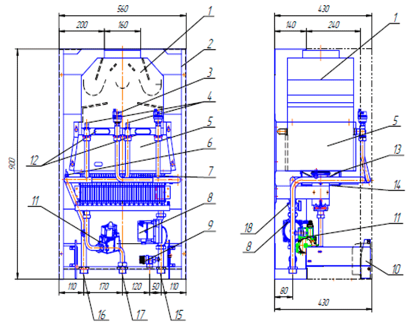
Це серія димохідних навісних газових котлів потужністю 50 кВт - з електронним управлінням, які можна підключати каскад. Дані котли використовують як джерело теплопостачання споруд , де системи опалення водяного типу Вони підходять для обігріву житлових будинків та виробничих будівель, які мають димар і можуть відводити продукти згоряння. Ці котли мають насос, розроблений для систем опалення, що мають штучну циркуляцію води. При використанні спеціального клапана можлива робота цих котлів на бойлер з великою ємністю. У кожному апараті є пристрій захисту, який забезпечує користувачу повну безпеку. Воно перешкоджає шкідливим викидам продуктів згоряння в приміщення, а також попаданню газу в топку котла, коли не відбувається процес горіння. 1. Перетворювач тиску; 2. Температурний зонд; 3. Аварійний термостат; 4. Повітровідвідник; 5. Тягопереривник; 6. Теплообмінник; 7. Водоохолоджувальний пальник; 8. Реле протоки; 9. Циркуляційний насос; 10. Запобіжний клапан; 11. Газова арматура. 1 - тягопереривник; 2 – рама апарату; 3 - повітровідвідник; 4 – аварійний термостат; 5 – камера згоряння; 6 – температурний зонд; 7 - пальник; 8 – циркуляційний насос; 9 - запобіжний клапан; 10 – блок автоматики; 11 – газовий клапан; 12 – теплообмінник; 13 - екран пальника; 14 – рамка пальника; 15 - патрубок G1” введення води після системи опалення (обратка); 16 - патрубок G1” виходу води у систему опалення (подача); 17 - патрубок подачі газу G3/4"; 18 - реле протоки.Газові котли Колви Eurotherm Technology 50 ES
Достоїнства котлів Eurotherm Technology 50 ES:
Зображення панелі керування газовими котлами Eurotherm Technology 50ES:

Конструкція Eurotherm Technology 50ES:

